
スーパーキャパシタ(電気二重層コンデンサ) 5.5V 0.22F H型 ELNA(エルナー)/MADE IN JAPAN(日本製)
品目 スーパーキャパシタ(電気二重層コンデンサ)
メーカー ELNA(エルナー)/MADE IN JAPAN(日本製)
容量 0.22F
耐圧 5.5v
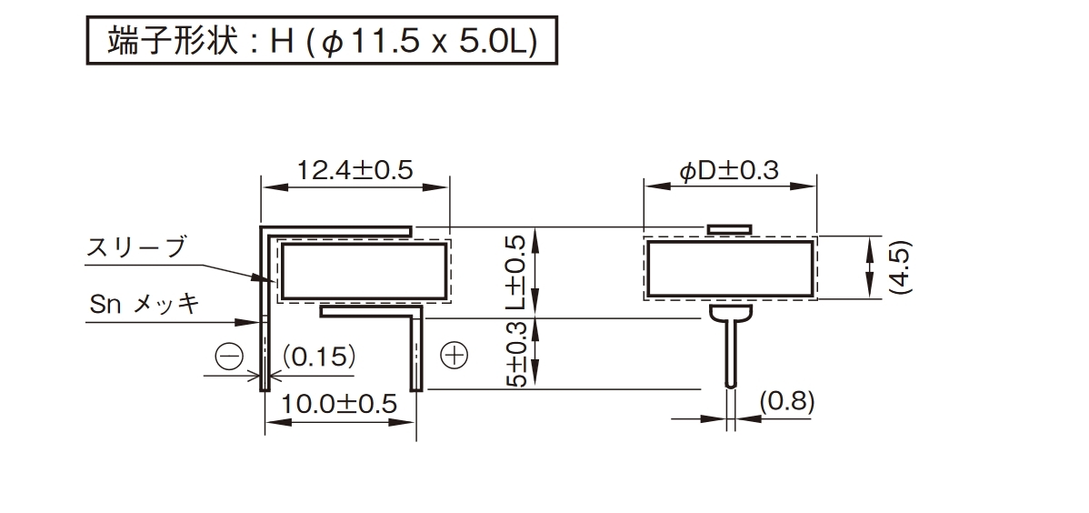
タイプ H型
サイズ:
直径12.0mm、厚み5.2mm(10.3mm/脚を含め) ※大きさには、個体差、誤差があります。サイズの詳細は画像を参照下さい
使用実績:
車用の計器(スピードモニター 4010/4015)のバックアップが出来なくなり、修理用に調達した電気二重層コンデンサです。
当初は、0.1Fでしたが、0.22Fでの交換で問題ありませんでした。交換実績あり(モデル:4010/4015)実機検証済み
サイズが、元のモノよりも少し大きめで、他の部品に干渉しながらもギリギリ入ります。写真参照/モデル:4010、モデル:4015に関しても同等
スピードモニター以外にも、その他電子機器等の電気二重層コンデンサ交換用にご活用下さい。
★数量がお入り用の方は、ご連絡い頂ければ幸いです。
ご入り用の方がいれば、ご検討下さい。
注意:普通郵便で送る為には、脚を広げ、厚みを抑える必要があります。そのため、脚が曲がることをご了承下さい。
ご入札頂いた時点で、脚が曲がる事に了承したものといたします。
脚の曲がりが、どうしても気になる方は、定形外郵便、又は、ヤフネコ/ネコポスを選択頂ければ、脚の曲がりは回避出来ます。
※技術的なお問い合わせには応じかねます。
※製品の保証は出来ません。ご使用に当たりましては、自己責任にてお願い致します。
◆ 商品区分 : 新品・・・・保管品 使用実績有り=>スピードモニター No.4010/スピードモニター・プラス No.4015の2機種において交換実装。問題無く稼働中です。
注意)商品説明に誤記、勘違い等が含まれる場合がありますので、写真にてご判断下さい。
※写真に有るものが全てです。
※本文記載事項よりも、現物写真を優先致します。
内容をご理解いただける方のみ入札をお願いいたします。
発送資材及び、梱包材、緩衝材等はリサイクル品を使用しますことをご承知おきください。
※発送荷姿(重さ、厚み)の関係で、緩衝材が入らない事も有りますことも合わせてご承知おきください。
■送料は、実費では御座いません。記載の通りでご納得頂ける方のみ入札、落札をお願い致します。(過不足調整は致しません。)
■送料には、梱包資材等の雑費等が含まれ場合が有ります。
■取引のご連絡は、48時間以内に返信頂ける方
3日以内のお支払いが可能な方のみご入札ください。
ご返信・お支払いが無い場合は、落札者様都合でのキャンセルとさせて頂きます。
■いたずら防止、トラブル防止等、スムーズなお取引を希望致しますので、新規の方及び、マイナス評価 10以上の方のご入札は、お断りいたします。なお、入札を希望される場合は、必ず質問より入札の意思表示のご連絡をお願いします。
意思表示のない新規の方及び、マイナス評価 10以上の方がご入札、落札されましても、トラブル防止のため削除又は、落札者様都合にてキャンセルとさせて頂きますのでご注意下さい。
■支払い方法、発送方法は記載の方法以外対応出来ませんので入札をお控えください。
入札、落札後の支払、発送は、記載の方法以外の申し入れを頂いても対応できませんので落札者様都合にてキャンセルとさせて頂きますのでご注意下さい。
※ノークレーム、ノーリターン、ノーキャンセルにてお願いいたします。
★発送までの日数 入金確認日から3-6日(なるべく早く発送致します。)
★発送方法 郵便を予定(追跡番号なし/補償なし、到着まで4-9日前後)
★発送方法 定形外郵便(追跡番号なし/補償なし、到着まで4-9日前後)
★発送方法 ヤフネコ/ネコポス(ヤマト運輸)(追跡番号あり/補償あり、到着まで3-4日程度)
◎補償ありの、ヤフネコ/ネコポス
※3個以上の場合は、定形外郵便以上で、選択下さい。
★ご連絡等が夜になることが多いため、お急ぎの方は入札をお控えください。
■ゆうパック/ヤフネコ!ネコポス/ヤフネコ!宅急便 以外の発送後に関しましては、不着・破損等の補償は、一切有りません事をご了承ください。一部荷物追跡が出来る発送方法に関しましては発送事業者へお問い合わせ頂きますようお願い致します。
注意)郵便(ミニレター、普通郵便、定形外郵便、クリップポスト、ゆうパケット、レターパックプラス、レターパックライト)の場合、発送後の万が一ではありますが、不着、破損に関して、当方では一切の補償は出来ません。郵便の無補償発送をご理解頂けない方は入札をお控え下さい。無補償発送方法を選択、入札頂いた時点で、無補償を承諾頂いたものとします。
・追跡番号が無い発送方法で不着の場合、郵便局へ不着調査依頼を申請出来ますので、ご連絡頂ければ申請(個人情報を郵便局へ提供することを承諾するものとする。)は可能ですが、発送物が見つかるかどうかは不明です。調査期間は、1ヶ月程度掛かります。但し、無補償に変わりありません。
・追跡番号が有る発送方法は、郵便局に直接追跡番号を元にお問い合わせ下さい。但し、荷物が見つからない場合でも、補償は一切されません。
・不着、破損を懸念される方は、必ず、補償が有る発送方法を選択下さい。補償無しの発送を選択した場合、不着、破損の責任は当方では負いません。自己責任にておいて、安さと、リスクをご自身の責任において選択下さい。後から、クレームされても対応出来ません。必要に合わせて補償有りを必ず選択下さい。不明点が有る場合は、入札前に、必ずお問い合わせ頂きますようにお願い致します。
■ゆうパックに関しましては、不着・破損等は郵便局へお問い合わせ頂きますようなお願い致します。
■ヤフネコ!ネコポス/ヤフネコ!宅急便に関しましては、不着・破損等はヤマト運輸へお問い合わせ頂きますようなお願い致します。
◆入札・落札された時点で、上記説明事項・画像現状を全てご納得・ご了承いただいたものとさせていただきます。
宜しければ入札をお願いします。