您好,欢迎来到日本购物网! 请登录 免费注册 [帮助中心]
8:30-12:00/13:00-18:30
400-668-2606
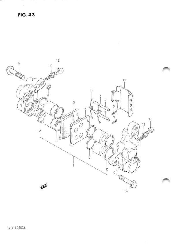
キャリパーピストン GSX-R400 GK71B 84- フロントブレーキ レストア オーバーホール 廃止部品 59100-04810 59100-04821
キャリパーピストン GSX-R400 GK71B 84- フロントブレーキ レストア オーバーホール 廃止部品 59100-04810 59100-04821 [浏览原始页面]
当前价:37500 日元(合1807.50人民币)

加价单位:0 日元/0.00 人民币

一口价:37500 日元 合 1807.50 人民币
当前最高出价者: 出价次数:0
距结束:
34525.3804997
手动刷新
升级包月会员,免预付款出价! 《会员制说明》
卖方资料

卖家账号:肉汁 王子

卖家评价:好评:9463 差评:44

店铺卖家:不是

发货地址:京都府

商品信息

拍卖号:j1193551526

结束时间:11/21/2025 23:02:38

日本邮费:卖家承担

可否退货:不可

开始时间:11/14/2025 15:02:38

商品成色:新品

自动延长:不可

个 数:1

提前结束:可

最高出价:

拍卖注意事项

1、【自动延长】:如果在结束前5分钟内有人出价,为了让其他竞拍者有时间思考,结束时间可延长5分钟。

2、【提前结束】:卖家觉得达到了心理价位,即使未到结束时间,也可以提前结束。

3、参考翻译由网络自动提供,仅供参考,不保证翻译内容的正确性。如有不明,请咨询客服。

4、本站为日拍、代拍平台,商品的品质和卖家的信誉需要您自己判断。请谨慎出价,竞价成功后订单将不能取消。

5、违反中国法律、无法邮寄的商品(注:象牙是违禁品,受《濒临绝种野生动植物国际贸易公约》保护),本站不予代购。

6、邮政国际包裹禁运的危险品,邮政渠道不能发送到日本境外(详情请点击), 如需发送到日本境外请自行联系渠道。

※入札前に必ず自己紹介をお読みください
【商品内容】
廃止品番:59100-04810 59100-04821 ピストンセット 互換
画像のトキコキャリパーに対応する
日本製 キャリパーピストン  8個 72
4potキャリパ2個分 1台分です
                                                                                         
信頼、安心の純正部品です

【対応車種】
RG250Γ ガンマ GJ21B 1985-

【注意事項】
27mmピストン用 外観同じでピストンが大きい初期型GSX-R750/1100も存在
旧車は年式違い、車種違いの流用、逆輸入車の仕様地による違いなど多数混在しています
適合は必ず自身で調べて確認ください。個別の車種への適合は保証しかねますご了承ください。
今まで安定供給されていた部品の廃止,価格高騰が続出しています買えるうちにストックしてください!!

【発送】
ゆうパケットポストmini 27/22
33871s59300
出价者 信用 价格 时间
推荐
地址: 205-0023 東京都羽村市神明台
国内客服电话:400-668-2606
E-mail:gouwujp@gmail.com
//