您好,欢迎来到日本购物网! 请登录 免费注册 [帮助中心]
8:30-12:00/13:00-18:30
400-668-2606
AF35 後期 クランクベアリング 純正 2個 ライブディオ AF34 ZX エンジン ケース シャフト ベアリング Live Dio AF48 リード 50 / gbl.8 x2
AF35 後期 クランクベアリング 純正 2個 ライブディオ AF34 ZX エンジン ケース シャフト ベアリング Live Dio AF48 リード 50 / gbl.8 x2 [浏览原始页面]
当前价:4290 日元(合206.35人民币)

加价单位:0 日元/0.00 人民币

一口价:4300 日元 合 206.83 人民币
当前最高出价者: 出价次数:0
距结束:
416492.1217924
手动刷新
升级包月会员,免预付款出价! 《会员制说明》
卖方资料

卖家账号:jmt********

卖家评价:好评:45772 差评:41

店铺卖家:不是

发货地址:愛媛県

商品信息

拍卖号:g1203858190

结束时间:11/28/2025 09:47:13

日本邮费:买家承担

可否退货:不可

开始时间:11/21/2025 10:47:13

商品成色:新品

自动延长:可

个 数:1

提前结束:可

最高出价:

拍卖注意事项

1、【自动延长】:如果在结束前5分钟内有人出价,为了让其他竞拍者有时间思考,结束时间可延长5分钟。

2、【提前结束】:卖家觉得达到了心理价位,即使未到结束时间,也可以提前结束。

3、参考翻译由网络自动提供,仅供参考,不保证翻译内容的正确性。如有不明,请咨询客服。

4、本站为日拍、代拍平台,商品的品质和卖家的信誉需要您自己判断。请谨慎出价,竞价成功后订单将不能取消。

5、违反中国法律、无法邮寄的商品(注:象牙是违禁品,受《濒临绝种野生动植物国际贸易公约》保护),本站不予代购。

6、邮政国际包裹禁运的危险品,邮政渠道不能发送到日本境外(详情请点击), 如需发送到日本境外请自行联系渠道。

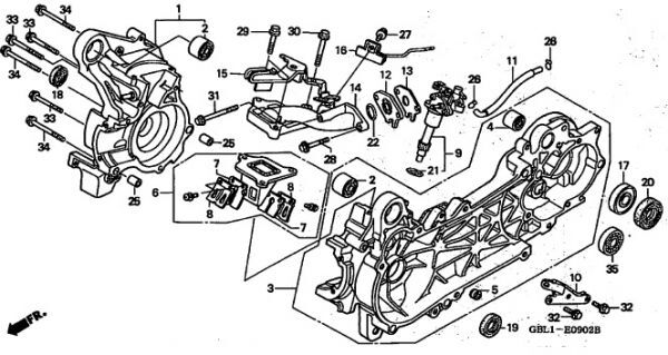
        ライブディオ   後期  純正  クランクベアリング(AF34 AF35 ZX)

商品内容
AF34  .  E-10 .    7   :    クランクベアリング    x2        外径約50㎜
                                                             一例 : SC04827CS37PX2


適合一例    (SK50MY,SK50MM1,SK50MM2)         # インマニ取り付けネジ3本  
AF34E-1700001~ AF34-3000001~3299999  
AF34E-2200001~ 
AF34-3400001~3499999 AF34-3500001~
AF34E-3600001~ 
AF35-2000001~2199999 AF35-2300001~2399999 AF35-2400001~

                             
AF48E-1000001~ AF48-1000001~
AF48E-1100001~ AF48-1100001~
AF48E-1100001~ AF48-1200001~












通常在庫の商品ですが店頭でも販売しておりますのでお急ぎの場合は在庫の確認をお願いします。

送料   60サイズ   (梱包手数料含む)   地域別送料はこちらからhttp://unosyoukai.com/tyumon.html
  
レターパックプラス発送  送料600円          
(
時間/日時指定不可/問い合わせ番号あり/手渡し/4kgまで

(代引き不可)

ゆうパケットBOX発送     送料300円
(時間
/日時指定不可/問い合わせ番号あり/ポスト投函/厚さ3cm/1kgまで)
(代引き不可/ゆうパケット用の箱で梱包)


ゆうパケット発送            送料250円
(時間
/日時指定不可/問い合わせ番号あり/ポスト投函/厚さ3cm/1kgまで)
(代引き不可)









純正部品一例  (図の見出し番号でご確認ください/各1個/同梱発送時の価格です/取り寄せ) 追加分は送料に加算

AF34E   後期

E- 2 .  2 . シリンダーガスケット                       .    500円      12191GBL000  .4
E- 2 .  5 . ヘッドガスケット                              .    550円            12251gbl000  .49
E- 2 .  6 . ボルト、フランジ  6x95                      .     330円       90001GA7000  .28-
E- 2 .  7 . スタッドボルト    6x19                   .      200円             90031GBL000  .13-

E-9-2. 18. オイルシール , 15.6x25.5x7             .     500円       91201kbn922  .3
E-9-2. 19. オイルシール , 19.4x31x7                .     700円          91202gcw013  .61
E-9-2. 21 . Oリング 18.3x2.3                          .     280円   91301147023   .166000  .24
E-9-2. 22 . Oリング 20.6x1.9                          .     330円        91304GB0910.23  .28

E-10 .  2 . ピストンリングセット(STD)                .    3300円      13010GBL305  .284
E-10 .  3 . ピストン                                        .    5500円             13120GBL505  .481
E-10 .  4 . ピストンピン                                  .      900円       13111GZ0000  .81
E-10 .  5 . クリップ、ピストンピン 12mm            .     250円             13115156000  .19
E-10 .  6 . ウッドラフキー    3x5                   .     400円       90741035000  .33
E-10 .  8 . スモールエンドベアリング                 .      800円              91102GW0008  .69


F-17 .  1 . ガスケツト,エキゾーストパイプ           .    550円        18291GBL710.48
F-17 .  6 . ナット,キャップワッシャー 6mm           .    250円            90308GBL000.19-



**********************************************************

社外 ピストンピンクリップ         .   1個 .     50円  (純正サイズ)






出品商品以外につきましてはメールにてお問い合わせください。
uno_syoukai@ybb.ne.jp

御不明な点があればメールでお問い合わせ下さい。
自己紹介もあわせてご確認ください。
発送には2.3日お時間を頂く場合もございますのでお急ぎの場合は入札前にメールでお問い合わせください。
評価にて発送完了のメールに変えさせて頂きますのであらかじめご了承お願い致します。




送料(発送手数料含む)
60サイズ

(離島はお問い合わせください)

ヤマト運輸  
(時間指定/午前中,14-16時,16-18時,18-20時,20-21時)

[北海道] 1750円 (北海道)
[ 東北 ]  1100円 (青森、岩手、秋田、山形、宮城、福島)
[ 関東 ]   900円 (茨城、栃木、群馬、埼玉、千葉、東京、神奈川、山梨)
[ 信越 ]   900円 (新潟、長野)
[ 北陸 ]   900円 (富山、石川、福井)
[ 中部 ]   800円 (静岡、愛知、岐阜、三重)
[ 関西 ]   700円 (滋賀、京都、大阪、兵庫、奈良、和歌山)
[ 中国 ]   700円 (鳥取、岡山、島根、広島、山口)
[ 四国 ]   700円 (香川、徳島、愛媛、高知)
[ 九州 ]   800円 (福岡、佐賀、長崎、熊本、大分、宮崎、鹿児島)
[ 沖縄 ] 1300円 (沖縄) 



ゆうパック
(時間指定/午前中,12-14時,14-16時,16-18時,18-20時,20-21時)

[北海道] 1300円 (北海道)
[ 東北 ]    900円 (青森、岩手、秋田、山形、宮城、福島)
[ 関東 ]    800円 (茨城、栃木、群馬、埼玉、千葉、東京、神奈川、山梨)
[ 信越 ]    800円 (新潟、長野)
[ 北陸 ]    800円 (富山、石川、福井)
[ 中部 ]    650円 (静岡、愛知、岐阜、三重)
[ 関西 ]    600円 (滋賀、京都、大阪、兵庫、奈良、和歌山)
[ 中国 ]    600円 (鳥取、岡山、島根、広島、山口)
[ 四国 ]    600円 (香川、徳島、愛媛、高知)
[ 九州 ]    650円 (福岡、佐賀、長崎、熊本、大分、宮崎、鹿児島)
[ 沖縄 ]  1000円 (沖縄)




http://unosyoukai.com/









E-10 .  7 . ベアリング,ラジアルボール             .    215      91005gbl873  .178

0001230000246000027060002944000
*00015500000310000034100003751000.**0001780x2.000356000039160004307000

出价者 信用 价格 时间
推荐
地址: 205-0023 東京都羽村市神明台
国内客服电话:400-668-2606
E-mail:gouwujp@gmail.com
//